Главная / Трактора ВТЗ / АГРОМАШ / Трактор Т-25А "Владимирец" / Трансмиссия Т-25А / Блокировка передач Т-25А / Пружина 54.37.408
Пружина 54.37.408
Артикул: 54.37.408
| Модификация трактора | Т-25А |
|---|---|
| Количество на модель | 4 |
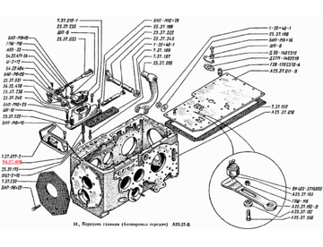
| Описание | Пружина фиксатора блокировки передач |
| Размеры | L=49 мм / D=18 мм / d=13 мм / виток Ø 2,5 мм |
| Материал | Сталь 50ХФА |
| Исполнение | Пружина сжатия |
| Производитель | Россия |
| Вес | 0,08 кг |
Пружина 54.37.408 - надеты на хвостовики фиксаторов механизма блокировки и прижимают фиксаторы к валикам переключения передач. Хвостовики фиксаторов входят в отверстия корпуса блокировки, а пружины упираются в торцы выточек в корпусе.
Каталог запчастей Т-25А
Каталожная группа: Блокировка передач Т-25А
Позиция в каталоге - 54.37.408
Находится в разделах
Скидки 5% на электрооборудование
Не упусти свой шанс!
До конца акции Осталось:
01.10.2023 00:00